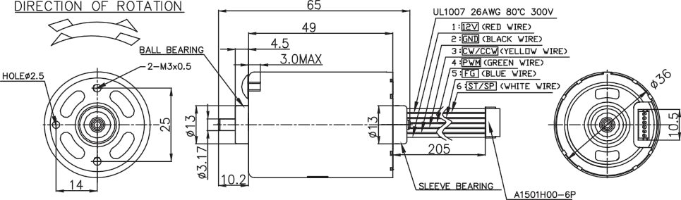
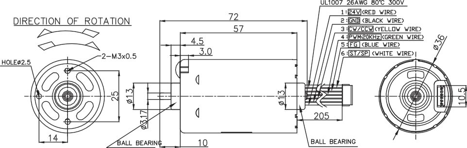
Product Details


Main Technical Data:
| MODE | VOLTAGE | NO-LOAD | LOAD | MAXIMUM | OUTPUT | EFF | STALL | |||||||||||||||||||
|
voltage range |
test voltage |
SPEED | CURRENT | SPEED | CURRENT | TOTPUT | A | mN/m | ||||||||||||||||||
| RPM | A | RPM | A | mN/m | W | % | ||||||||||||||||||||
| YDL3649+ | 9.0-36.0 | 24.0 | 5000 | 0.16 | 4480 | 0.72 | 28.0 | 13.2 | 81 | 10.0 | 235.0 | |||||||||||||||
| YDL3649+ | 9.0-36.0 | 12.0 | 3500 | 0.16 | 3150 | 0.85 | 23.8 | 7.80 | 78 | 6.04 | 189.0 | |||||||||||||||
| YDL3650 | 9.0-30.0 | 12.0 | 10300 | 0.60 | 9050 | 3.85 | 37.2 | 35.2 | 78 | 26.0 | 290.0 | |||||||||||||||
| YDL3650 | 9.0-30.0 | 12.0 | 10000 | 0.35 | 8530 | 2.80 | 43.0 | 38.4 | 79 | 13.2 | 320.0 | |||||||||||||||
| YDL3657 | 6.0-36.0 | 12.0 | 2700 | 0.15 | 2400 | 0.65 | 21.5 | 5.39 | 74 | 4.10 | 163.0 | |||||||||||||||
| YDL3657 | 9.0-36.0 | 24.0 | 9000 | 0.35 | 7780 | 2.16 | 45.0 | 36.7 | 75 | 11.8 | 289.0 | |||||||||||||||
| YDL3657+ | 9.0-30.0 | 12.0 | 3500 | 0.17 | 2950 | 1.00 | 26.9 | 8.50 | 75 | 6.50 | 210.5 | |||||||||||||||
| YDL3657+ | 9.0-36.0 | 20.0 | 9400 | 0.32 | 8520 | 1.83 | 31.5 | 28.2 | 78 | 13.8 | 276.2 | |||||||||||||||
| YDL3657S | 7.0-36.0 | 14.0 | 30000 | 1.26 | 24980 | 15.8 | 56.0 | 149.0 | 70 | 88.0 | 400.0 | |||||||||||||||
| YDL3657S+ | 6.0-36.0 | 36.0 | 19300 | 0.31 | 17000 | 3.85 | 63.0 | 108.0 | 80 | 24.9 | 440.0 | |||||||||||||||
| YDL3657S | 6.0-36.0 | 12.0 | 21000 | 0.80 | 19100 | 6.10 | 30.0 | 60.0 | 85 | 51.5 | 290.0 | |||||||||||||||

Chinese
English




